Hegesztőrobot többféle karkinyúlással

Robotkarok hegesztési feladatokra, különböző méretekben.



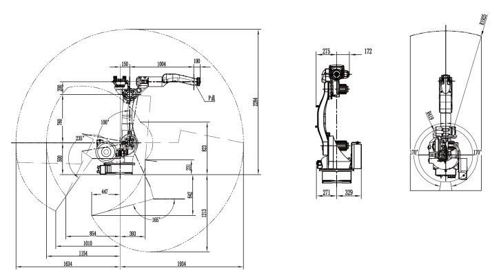
A robotkarok kifejezetten hegesztéshez lettek kialakítva. Az első kar üreges, befűzhetőek a kábelek. Az ötödik tengely két oldalról támasztott és csapágyazott. A kábelek a karok között haladnak.
A csuklópontoknál a kábelek szabadon vannak, csökkentve a kábelek súrlódását.

  • hegesztőrobot karhossz 1400 - 1800 - 2000mm
  • terhelhetőség 10 - 20 - 10kg
  • szerelhető vízszintesen, függőlegesen vagy függesztve
  • ütközést megakadályozó szenzorral szerelve
  • nagy hajlékonyságú, speciális kábelek
  • hűtővíz bevezetésére alkalmas kialakítás
  • nagy flexibilitású hegesztőkábel




A 2000/10-es robot munkatere: