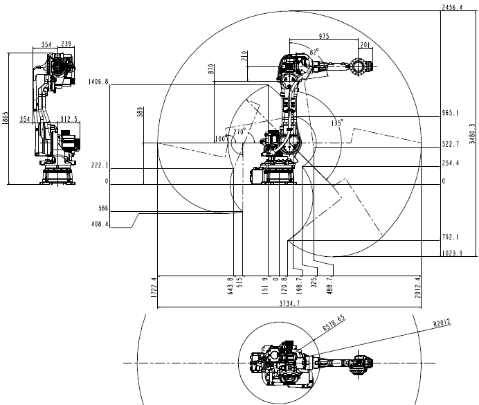
6 tengelyes robotkar eszköz felfogatási pontja minden irányba tud mozogni, és mind a három tengely mentén tud forogni.


A 6 tengelye robotok alkalmazási területei:

  • hegesztés
  • festés
  • polírozás
  • szerelés
  • válogatás
  • gépkiszolgálás
  • palettázás
  • átrakás
  • nagy terhek mozgatására képesek

    120kg teherbírású, 2000mm munkasugarú robotkar munkatere.